PLAZA INN/OWNERS RESIDENCE
- Property Class
- Commercial & Industrial
- Structure Type
- Motel
- Land Use
- Hotel / motel with restaurant
- Identical Buildings
-
1
- Building Units
-
N/A
- Square Footage (Above Grade)
-
9,488
PLAZA INN/OWNERS RESIDENCE
PLAZA INN/OWNERS RESIDENCE
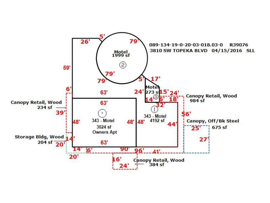
Building Sections & Basements
| No. |
Occupancy |
Rank |
Year Built |
Levels |
Square Footage |
Wall Height |
Condition |
Function |
Components |
Basements |
| 1 |
Motel |
AV |
1959 |
01 / 01 |
4,192 |
10 |
FR |
FR |
|
|
| 2 |
Motel |
AV |
1959 |
01 / 01 |
1,999 |
20 |
FR |
FR |
|
N/A |
| 3 |
Motel |
AV |
1959 |
01 / 01 |
273 |
20 |
FR |
FR |
|
N/A |
| 4 |
Motel |
AV |
1959 |
01 / 01 |
3,024 |
10 |
FR |
FR |
|
N/A |
Other Improvements
| No. |
Occupancy |
Quantity |
Year Built |
Stories |
Condition |
Function |
Components |
| 1 |
Site Improvements |
1 |
|
1 |
FR |
FR |
|
| 2 |
Site Improvements |
1 |
|
1 |
FR |
FR |
|
| 3 |
Site Improvements |
1 |
|
1 |
FR |
FR |
|
| 4 |
Prefabricated Storage Shed |
1 |
|
1 |
FR |
FR |
N/A |
Information Last Updated 03/19/2026